픽셀 (pixel)은 이미지를 구성하는 기본요소로써 한 그룹의 픽셀들이 점, 선, 면 등을 나타낼 수 있고,
각 픽셀 값에 의해 이미지의 밝기, 명암 등을 나타낼 수 있습니다. (모자이크가 좋은 예 입니다.)
이미지 데이터는 높이(세로) x 폭(가로)의 2차원, 혹은 높이(세로) x 폭(가로) x 색상채널의 3차원
픽셀값 모임이라고 볼 수 있습니다.
3차원 이미지 데이터의 구조는 아래의 그림에 묘사되어 있으며, 앞선 글에서 대상이 되는 3차원의
RGB컬러 이미지 파일을 MATLAB의 workspace 에 불러들여 Red, Green, Blue 각각의 색상채널로
분리하는것을 수행하였습니다.
대상 이미지의 픽셀값은 - MATLAB에서 기본적으로 - uint8(부호없는 8비트 정수형) 형식을 따르며
이는 최소 0 부터 최대 255까지 256가지 범위를 갖습니다. 하나의 픽셀에 빨강, 초록, 파랑의 3개
채널 intensity를 갖으므로 이들의 조합으로 인해 다양한 색상 스펙트럼을 갖습니다.

Grayscale 이미지로 변환 - RGB2Gray( )
이번 글에서는 3차원의 컬러가 아닌 2차원의 grayscale 이미지 데이터를 다룹니다.
앞선 글에서와 같이 컬러 이미지 파일은 이미 "img" 라는 변수에 저장되어 있습니다.
본 글에 쓰인 이미지는 본 블로그 맨밑 출처 2에 가셔서 다운로드 받을 수 있습니다.
img = imread('NCI-jdfn7Z03Qa4.jpg');
img_gray = rgb2gray(img);
figure;
subplot(1, 2, 1); imshow(img); title('Original');
subplot(1, 2, 2); imshow(img_gray); title('Gray image');


우측의 gray scale 이미지에서 보이듯이 cell(세포)의 특정 염색 색상정보는 사라졌고,
픽셀값에 의해 cell(세포)의 윤곽과 어두운 명암비가 나타남을 알수 있습니다.
한 발 더 나아가, grayscale 이미지 변환의 알고리즘은 MATLAB의 help에 설명이 되어 있습니다.
( MATLAB 툴바에 물음표 모양의 아이콘을 클릭하면 help 창이 열리며, 검색에서 rgb2gray를 입력하면
상세정보가 나옵니다. )
밑의 설명과 같이 각 색상채널의 픽셀값에 특정한 가중치를 곱하여 gray scale 이미지로 변환됨을
알 수 있습니다.

Grayscale 이미지의 바탕이 되는 배경은 검은색으로 보이지만 실제로도 픽셀값 0을 갖는 검은색일까?
특정 픽셀값을 알고자 하면 workspace의 대상 변수를 더블클릭 하여 알수 있으며 또한 Figure의 툴메뉴
중 Data Cursor를 통해 알 수도 있습니다.
( Figure 창에서 Tools -> Data Cursor. 본 글의 맨위에 게시된 동영상 참조 )
예를들어, 그레이스케일 이미지의 1269행 813열의 픽셀값은 uint8 형식의 9 입니다.
( 다른 표현으로 img_gray[1269, 813] = 9 )


Grayscale 이미지의 픽셀값 중 최소(min), 최대(max), 중간값(median) 은
min(img_gray(:)) % select all element. img_gray(:)
max(img_gray(:))
median(img_gray(:))

위의 코드에서 grayscale 이미지는 2차원 데이터 이므로 연산 범위를 데이터 전체로 지정하여야 합니다.
만일, 범위지정 없이 명령문을 수행하면, 예를들어 min( img_gray ) 은 각 차원의 최소값을 나타낼 것입니다.
Histogram - imhist( )
앞서 언급한 바와 같이 위의 grayscale 이미지 데이터는 uint8 형식(부호없는 8비트 정수형) 이므로 픽셀값은
최소 0 부터 최대 255 까지 256 가지의 범위를 갖습니다.
이미지상의 픽셀값 분포를 알고자 한다면 Histogram이 유용할 것입니다.
또한 histogram은 앞으로 본 블로그에서 소개할 이미지의 콘트라스트 개선(contrast adjustment)이나
이진화(binarization) 등에 유용하게 사용됩니다.
figure;
imhist(img_gray);

Histogram의 x축은 픽셀값 범위 0 부터 255를 나타내며, y축은 각 픽셀값 (혹은 bin 이라고도 함)
에 해당하는 픽셀의 갯수(frequency 라고도 )를 나타냅니다.
만일 픽셀값의 분포가 균일하다면 histogram의 막대(frequency) 높이는 비슷하겠지만,
위의 histogram에서 보듯이 픽셀값의 분포가 낮은값에 치우쳤고 오른쪽에 긴꼬리(= positively skewed)
를 갖고 있음을 알 수 있습니다. 이것은 이미지 밝기(brightness)가 어두운 부분이 밝은 부분보다
상대적으로 더 많이 분포해 있음을 뜻합니다.
MATLAB에서 histogram의 입력 데이터는 반드시 grayscale 또는 2차원의 이미지 데이터 이어야함에 주의하십시오.
- YouTube
www.youtube.com
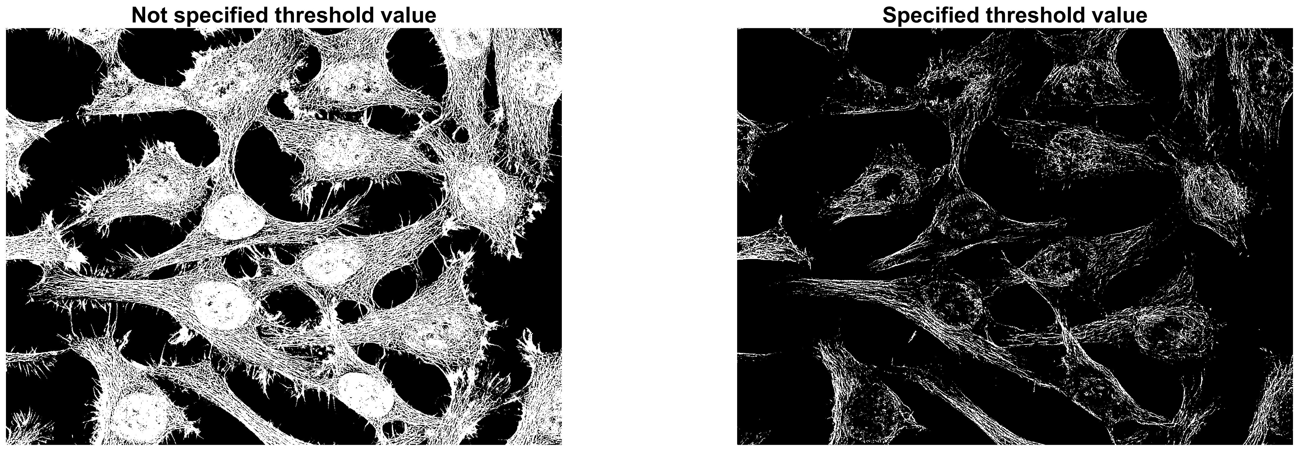
이미지의 이진화(Binarization) - global thresholding with Otsu algorithm
Grayscale 이미지의 픽셀값이 특정 값(= threshold 혹은 임계값) 보다 작거나 같으면 0,
크면 1 을 갖는 이진화 이미지로 변환하는 것을 global thresholding 이라고 합니다.
여기에서 변환의 기준이 되는 특정 값인 threshold 를 이용하는 것은 binarization의 가장
기초가 되는 방식입니다.
MATLAB에서는 binarization의 기본방식으로 Otsu 알고리즘을 이용합니다.
imbinarize( ) 함수는 이진화 이미지 만을 결과로 돌려주기 때문에 Otsu 알고리즘에 의한
threshold는 graythresh( ) 함수를 이용해 알 수 있습니다.
밑의 코드의 "level" 은 정규화된 0과 1 사이의 값이므로, 255을 곱해 uint8 형식으로 변환
하였습니다.
만일 원하는 threshold가 있다면 imbinarize( ) 함수의 입력 파라메터로 지정할 수 있습니다.
여기에서는 threshold = 100 을 uint8 타입의 최대값 255으로 나누어 0과 1 사이의
값으로써 정규화 하여 입력 파라메터를 지정하였습니다.
img_bw = imbinarize(img_gray); % default method: Otsu algorithm
level = graythresh(img_gray) * 255 % level is a threshold Otsu algorithm operated
img_bw2 = imbinarize(img_gray, 100/255); % giving a specified threshold
figure;
subplot(1, 2, 1); imshow(img_bw); title('Not specified threshold value');
subplot(1, 2, 2); imshow(img_bw2); title('Specified threshold value');


Otsu 알고리즘에 대해 알고 싶다면 구글링이나 밑의 페이퍼를 참조해 주십시오.

이미지의 이진화(Binarization) - adaptive thresholding

위의 이미지는 조명에 의해 편향된 contrast를 갖습니다. 앞서 본 global thresholding 의 관점에서
본다면, 이미지의 binarization을 위한 threshold를 정하기 위해 위의 이미지 왼편의 어두운 영역과
오른편의 밝은 영역 사이 어디쯤엔가 균형을 맞춰야 할것이며 이는 수많은 시행착오를 필요로
할 것입니다.
( 위 이미지는 MATLAB의 built-in 이미지 이므로 따로 출처 표시를 하지 않았습니다. )
다음은 위 이미지에 Otsu algorithm을 적용한 global thresholding 결과 입니다.
이때 적용된 threshold 값은 110 입니다.

img2 = imread('printedtext.png'); % the target image is built-in image in MATLAB
figure; imshow(img2)
figure; imhist(img2)
img_bw3 = imbinarize(img2);
figure, montage({img2,img_bw3})
% graythresh(img2) * 255
이처럼 균일하지 않은 조명을 갖거나 구역마다 contrast가 변동하는 이미지의 binarization 변환은
adaptive thresholding 방식을 선택하며, 이는 앞서 언급된 imbinarize( ) 함수의 입력 파라메터 지정을
통해 적용할 수 있습니다.
대상 이미지를 일정한 크기(또는 사용자가 지정한 크기)의 tile로써 구분하고, 각 tile에 속한 픽셀들의
평균값 - 또는 median(중간값), gaussian weighted mean(가우시안 가중 평균값)을 사용 할 수도 있음 -
을 threshold로써 각 tile 마다 binarization을 수행 하는것이 adaptive thresholding 입니다.
예를들어, 입력 이미지의 좌측 상단 부분을 하나의 tile로써 지정하여, 이 tile에 속한 픽셀들의 평균값을
threshold로써 binarization을 수행하겠습니다. 이 tile의 크기는 입력 이미지 크기의 1/8에 해당하며
평균값은 0-1 범위를 갖도록 정규화(normalization) 합니다.

% tile size: approximately 1/8th of the size of the image
tile_size = 2*floor(size(img2)/16)+1; % tile_size: [y-axis, x-axis]
img_tile = img2(1:tile_size(1),1:tile_size(2)); % a tile in the top left corner
mean_img_tile = mean(img_tile(:));
img_tile_bw = imbinarize(img_tile, mean_img_tile/255);
figure; imshow(img2)
figure; imshow(img_tile_bw)
입력 이미지의 전경(foreground)은 전반적으로 배경(background) 보다 어둡습니다.
이것을 adaptive thresholding에 하나의 입력 파라메터로써 추가하여 다음과 같은 binarization
결과를 얻었습니다.

% search documentation of 'imbinarize' & 'adaptthresh' in HELP
img_bw4 = imbinarize(img2,'adaptive','ForegroundPolarity','dark');
figure; montage({img2, img_bw4})
마지막으로 본 글에 쓰인 모든 MATLAB 코드는 밑에 표시해 두었습니다.
img = imread('NCI-jdfn7Z03Qa4.jpg');
% gray scale conversion
img_gray = rgb2gray(img);
figure;
subplot(1, 2, 1); imshow(img); title('Original');
subplot(1, 2, 2); imshow(img_gray); title('Gray image');
% min-max-median
min(img_gray(:)) % select all element. img_gray(:)
max(img_gray(:))
median(img_gray(:))
% histogram
figure;
imhist(img_gray);
% binarization
img_bw = imbinarize(img_gray); % default method: Otsu algorithm
level = graythresh(img_gray) * 255 % level is a threshold Otsu algorithm operated
img_bw2 = imbinarize(img_gray, 100/255); % giving a specified threshold
figure;
subplot(1, 2, 1); imshow(img_bw); title('Not specified threshold value');
subplot(1, 2, 2); imshow(img_bw2); title('Specified threshold value');
% binarization - global thresholding
img = imread('NCI-jdfn7Z03Qa4.jpg');
img_gray = rgb2gray(img); % gray scale conversion
figure; imshow(img_gray)
figure; imhist(img_gray)
img_bw = imbinarize(img_gray, 100/255); % giving a normalized threshold value
figure; montage({img_gray, img_bw})
img_bw2 = imbinarize(img_gray); % default method: Otsu algorithm
level = graythresh(img_gray) * 255 % level is a global threshold value
figure; montage({img_gray, img_bw2})
% binarization - adaptive thresholding
img2 = imread('printedtext.png'); % the target image is built-in image in MATLAB
figure; imshow(img2)
figure; imhist(img2)
img_bw3 = imbinarize(img2);
figure, montage({img2,img_bw3})
% tile size: approximately 1/8th of the size of the image
tile_size = 2*floor(size(img2)/16)+1; % tile_size: [y-axis, x-axis]
img_tile = img2(1:tile_size(1),1:tile_size(2)); % a tile in the top left corner
mean_img_tile = mean(img_tile(:));
img_tile_bw = imbinarize(img_tile, mean_img_tile/255);
figure; imshow(img2)
figure; imshow(img_tile_bw)
% search documentation of 'imbinarize' & 'adaptthresh' in HELP
img_bw4 = imbinarize(img2,'adaptive','ForegroundPolarity','dark');
figure; montage({img2, img_bw4})
출처1: https://www.mathworks.com/help/matlab/ref/matlab.graphics.primitive.image-properties.html
Image appearance and behavior - MATLAB
Setting or getting UIContextMenu property is not recommended. Instead, use the ContextMenu property, which accepts the same type of input and behaves the same way as the UIContextMenu property. There are no plans to remove the UIContextMenu property, but i
www.mathworks.com
출처2: https://unsplash.com/photos/jdfn7Z03Qa4
Published on September 7, 2021.6 Free to use under the Unsplash License
사진 작가: National Cancer Institute, Unsplash
Cells from cervical cancer – Splash에서 National Cancer Institute의 이 사진 다운로드
unsplash.com
출처3: https://www.mathworks.com/help/matlab/ref/rgb2gray.html
Convert RGB image or colormap to grayscale - MATLAB rgb2gray
When generating code, if you choose the generic MATLAB Host Computer target platform, rgb2gray generates code that uses a precompiled, platform-specific shared library. Use of a shared library preserves performance optimizations but limits the target platf
www.mathworks.com